Bismillah,
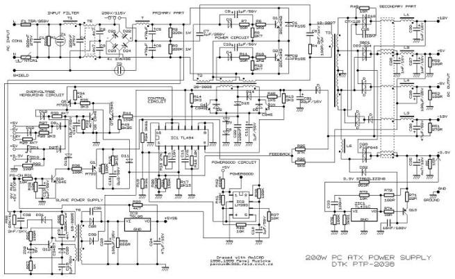
Berikut ini adalah skema dari PC power suply.secara umum demikianlah skema nya walopun mungkin agak berbeda beda merk satu dengan lainnya.semoga bermanfaat

Berikut ini adalah skema dari PC power suply.secara umum demikianlah skema nya walopun mungkin agak berbeda beda merk satu dengan lainnya.semoga bermanfaat


